Como realizo este agujero

Un buen lugar donde debatir temas relacionados con este Soft.


Tema anteriorTema siguiente
Avatar de Usuario

Autor del Tema
jairo luis
Oficial 1º
Oficial 1º
Mensajes: 1656
Registrado: Dom Abr 03, 2011 6:47 am
Temas: 1
Programa: SOLID WORKS
Ubicación: sucre
Agradecido : 1 vez
Agradecimiento recibido: 11 veces
Género:
Estado: Desconectado

Como realizo este agujero

Mensaje por jairo luis »

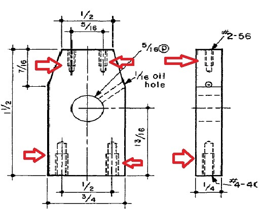
buenas amigo aquí os me presento con este detalles se trata de unos agujero se que se realiza con asistente taladro pero trato de real izarlo y no me sale espero de su ayuda saludos

Imagen

Última edición por Ricardo el Dom Nov 20, 2016 10:23 pm, editado 2 veces en total.
Avatar de Usuario

Basajaun
Oficial 3º
Oficial 3º
Mensajes: 744
Registrado: Sab Nov 06, 2010 8:14 pm
Temas: 121
Programa: SOLID WORKS
Agradecimiento recibido: 1 vez
Género:
Estado: Desconectado

Re: Como realizo esto agujero

Mensaje por Basajaun »

En el asistente de taladros, seguro que tienes uno que se llama tapon recto, justo arriba, donde estan los distintos tipos de taladros.

Avatar de Usuario

nacho1126
Especialista
Especialista
Mensajes: 350
Registrado: Sab Jul 09, 2011 12:17 am
Temas: 0
Programa: CATIA
Ubicación: México
Agradecimiento recibido: 1 vez
Género:
Zodíaco:
Edad: 38
Estado: Desconectado

Re: Como realizo esto agujero

Mensaje por nacho1126 »

Es muy fácil te explico:

  1. Abre el asistente de Taladros
  2. Selecciona tapón recto
  3. En estandar, selecciona Ansi Recto
  4. En tamaño escoge el tipo de rosca con sus paso correspondiente
  5. Ve a donde dice condiciones finales
  6. Pon hasta la profundidad deseas
  7. como ves no esta indicado cuanto es fondo de la broca y cuando de rosca es ahí donde le das estos parámetro, ya que como sabes para hacer una rosca en la realidad primero debemos hacer un barreno con una broca de diámetro menor al de la rosca y luego pasamos el machuelo.

Finalmente en Opciones selecciona rosca cosmética.
Has un corte por el centro de unos de los barrenos y veras que tienes las rosca que esta buscando
saludos

Avatar de Usuario

Ricardo
Moderador
Moderador
Mensajes: 8892
Registrado: Lun Nov 23, 2009 7:54 pm
Temas: 1266
Programa: SOLID WORKS
Agradecido : 3375 veces
Agradecimiento recibido: 3856 veces
Género:
Estado: Desconectado

Re: Como realizo esto agujero

Mensaje por Ricardo »

El problema puede estar en que se tiene que inventar la profundidad del taladro y la profundidad de la rosca.

Saludos.

https://astemar-ricardo.blogspot.com

Procesador Intel I7 12700K a 3'60 Ghz, Ram DDR3-1600 32 Gb, Tarjeta gráfica NVIDIA GeForce GT1030, Windows 11 Home 64 bits
Avatar de Usuario

Autor del Tema
jairo luis
Oficial 1º
Oficial 1º
Mensajes: 1656
Registrado: Dom Abr 03, 2011 6:47 am
Temas: 1
Programa: SOLID WORKS
Ubicación: sucre
Agradecido : 1 vez
Agradecimiento recibido: 11 veces
Género:
Estado: Desconectado

Re: Como realizo esto agujero

Mensaje por jairo luis »

diste con lo cierto ricardo eso mismo pensé yo al ver el boceto

Avatar de Usuario

Autor del Tema
jairo luis
Oficial 1º
Oficial 1º
Mensajes: 1656
Registrado: Dom Abr 03, 2011 6:47 am
Temas: 1
Programa: SOLID WORKS
Ubicación: sucre
Agradecido : 1 vez
Agradecimiento recibido: 11 veces
Género:
Estado: Desconectado

Re: Como realizo este agujero

Mensaje por jairo luis »

que tal nacho ricardo algo así

que mal que hacer el render no se vea el roscado

Imagen

Última edición por Ricardo el Dom Nov 20, 2016 10:24 pm, editado 2 veces en total.
Avatar de Usuario

Ricardo
Moderador
Moderador
Mensajes: 8892
Registrado: Lun Nov 23, 2009 7:54 pm
Temas: 1266
Programa: SOLID WORKS
Agradecido : 3375 veces
Agradecimiento recibido: 3856 veces
Género:
Estado: Desconectado

Re: Como realizo esto agujero

Mensaje por Ricardo »

Te has inventado las medidas y te ha quedado perfecto. :56 :56 :56

https://astemar-ricardo.blogspot.com

Procesador Intel I7 12700K a 3'60 Ghz, Ram DDR3-1600 32 Gb, Tarjeta gráfica NVIDIA GeForce GT1030, Windows 11 Home 64 bits
Avatar de Usuario

Autor del Tema
jairo luis
Oficial 1º
Oficial 1º
Mensajes: 1656
Registrado: Dom Abr 03, 2011 6:47 am
Temas: 1
Programa: SOLID WORKS
Ubicación: sucre
Agradecido : 1 vez
Agradecimiento recibido: 11 veces
Género:
Estado: Desconectado

Re: Como realizo esto agujero

Mensaje por jairo luis »

si ricardo ya veras que te tocara lo mismo jejejeje

Avatar de Usuario

nacho1126
Especialista
Especialista
Mensajes: 350
Registrado: Sab Jul 09, 2011 12:17 am
Temas: 0
Programa: CATIA
Ubicación: México
Agradecimiento recibido: 1 vez
Género:
Zodíaco:
Edad: 38
Estado: Desconectado

Re: Como realizo esto agujero

Mensaje por nacho1126 »

Bien jairo luis, y pues si tu dibujo no dice cual es la profundidad pero muy bien, y pues esperemos que algundia Solidworks ponga una opcion para que las roscas aparescan en los renders.
Saludos.

Tema anteriorTema siguiente