(2009-12) Ejercicio NG Diciembre 2009

Durante unos años, todos los meses se publicaron unos ejercicios de NG, ¿te atreves a hacerlo?
Imagen - INDICE EJERCICIOS PUBLICADOS


Avatar de Usuario

Autor del Tema
Ricardo
Moderador
Moderador
Mensajes: 8884
Registrado: Lun Nov 23, 2009 7:54 pm
Temas: 1261
Programa: SOLID WORKS
Agradecido : 3365 veces
Agradecimiento recibido: 3839 veces
Género:
Estado: Desconectado

(2009-12) Ejercicio NG Diciembre 2009

Mensaje por Ricardo »

No estamos en Diciembre (todaví­a) pero ya tenemos el ejercicio del mes.

Aquí­ tenéis el plano en pdf, ahora toca resolverlo.

Saludos.

Última edición por Mondeo14 el Mar Nov 01, 2016 10:09 pm, editado 8 veces en total.
Razón: Añadido adjunto al post.
https://astemar-ricardo.blogspot.com

Procesador Intel I7 12700K a 3'60 Ghz, Ram DDR3-1600 32 Gb, Tarjeta gráfica NVIDIA GeForce GT1030, Windows 11 Home 64 bits
Avatar de Usuario

Autor del Tema
Ricardo
Moderador
Moderador
Mensajes: 8884
Registrado: Lun Nov 23, 2009 7:54 pm
Temas: 1261
Programa: SOLID WORKS
Agradecido : 3365 veces
Agradecimiento recibido: 3839 veces
Género:
Estado: Desconectado

Re: (2009-12) Ejercicio NG Diciembre 2009

Mensaje por Ricardo »

Hola a todos.

No es quejareis, éste es de los fáciles.

Aquí está mi solución con Solid Edge.

Imagen

Saludos.

Última edición por Mondeo14 el Mié Nov 02, 2016 12:16 am, editado 2 veces en total.
https://astemar-ricardo.blogspot.com

Procesador Intel I7 12700K a 3'60 Ghz, Ram DDR3-1600 32 Gb, Tarjeta gráfica NVIDIA GeForce GT1030, Windows 11 Home 64 bits
Avatar de Usuario

Cesar3D
Usuari@
Usuari@
Mensajes: 7
Registrado: Lun Nov 30, 2009 5:23 am
Temas: 1
Programa: SOLID WORKS
Género:
Zodíaco:
Edad: 46
Estado: Desconectado

Re: (2009-12) Ejercicio NG Diciembre 2009

Mensaje por Cesar3D »

Hola todos, también hago mi presencia en el foro.

Imagen

:P

Última edición por Mondeo14 el Mié Nov 02, 2016 12:34 am, editado 5 veces en total.
Avatar de Usuario

Autor del Tema
Ricardo
Moderador
Moderador
Mensajes: 8884
Registrado: Lun Nov 23, 2009 7:54 pm
Temas: 1261
Programa: SOLID WORKS
Agradecido : 3365 veces
Agradecimiento recibido: 3839 veces
Género:
Estado: Desconectado

Re: (2009-12) Ejercicio NG Diciembre 2009

Mensaje por Ricardo »

Bien Cesar3D.

Has puesto una imagen que seguro a más de uno les dará pistas. :D :D

Saludos.

https://astemar-ricardo.blogspot.com

Procesador Intel I7 12700K a 3'60 Ghz, Ram DDR3-1600 32 Gb, Tarjeta gráfica NVIDIA GeForce GT1030, Windows 11 Home 64 bits
Avatar de Usuario

Josemi
En Prácticas
En Prácticas
Mensajes: 133
Registrado: Mar Dic 01, 2009 10:28 am
Temas: 16
Programa: SOLID WORKS
Agradecido : 23 veces
Agradecimiento recibido: 73 veces
Género:
Zodíaco:
Edad: 53
Estado: Desconectado

Re: (2009-12) Ejercicio NG Diciembre 2009

Mensaje por Josemi »

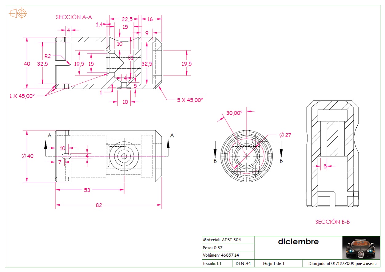
Hola,esto es lo que me ha salido,saludos.

ImagenImagen

Última edición por Mondeo14 el Mié Nov 02, 2016 12:39 am, editado 9 veces en total.

Visita mi blog

Verba volant, scrīpta mānent
Avatar de Usuario

Music224
RIP - DEP
RIP - DEP
Mensajes: 391
Registrado: Lun Nov 30, 2009 12:12 am
Temas: 72
Programa: INVENTOR
Ubicación: EN EL CIELO
Agradecimiento recibido: 41 veces
Género:
Estado: Desconectado

Re: (2009-12) Ejercicio NG Diciembre 2009

Mensaje por Music224 »

Hola.
Bueno he hecho el ejercicio y me sale un poco diferente el volumen.

Exactamente 46859,0055 mm3

Imagen

Última edición por Mondeo14 el Mié Nov 02, 2016 12:39 am, editado 6 veces en total.
Avatar de Usuario

Luman
Oficial 1º
Oficial 1º
Mensajes: 1889
Registrado: Lun Nov 23, 2009 7:11 pm
Temas: 135
Programa: MASTERCAM
Ubicación: Madrid
Agradecimiento recibido: 3 veces
Género:
Zodíaco:
Edad: 51
Estado: Desconectado

Re: (2009-12) Ejercicio NG Diciembre 2009

Mensaje por Luman »

Hola, os dejo la solución en catia

Imagen

Saludos

Última edición por Mondeo14 el Mié Nov 02, 2016 12:39 am, editado 5 veces en total.

No te haces mas viejo, sino mas sabio.

Avatar de Usuario

agox
Novat@
Novat@
Mensajes: 62
Registrado: Lun Nov 30, 2009 11:14 am
Temas: 9
Programa: CATIA
Género:
Estado: Desconectado

Re: (2009-12) Ejercicio NG Diciembre 2009

Mensaje por agox »

uuuuuuyyyyyyyyyyyy rozando el palo 46853,818 mm3 jajaja

otra solución en Catia V5

Imagen

Saludos

Última edición por Mondeo14 el Mié Nov 02, 2016 12:40 am, editado 6 veces en total.
Avatar de Usuario

juanfrancisco
En Prácticas
En Prácticas
Mensajes: 107
Registrado: Vie Mar 04, 2011 6:25 pm
Temas: 15
Programa: SOLID WORKS
Agradecido : 1 vez
Agradecimiento recibido: 2 veces
Género:
Zodíaco:
Edad: 34
Estado: Desconectado

Re: (2009-12) Ejercicio NG Diciembre 2009

Mensaje por juanfrancisco »

Hola , aquí­ esta mi ejercicio.

Imagen
Última edición por Mondeo14 el Mié Nov 02, 2016 12:40 am, editado 1 vez en total.
Atte: Juan Francisco
Desde: Huánuco - Perú - América del Sur


Imagen
Avatar de Usuario

jcsblas
Oficial 3º
Oficial 3º
Mensajes: 731
Registrado: Vie Dic 16, 2011 12:26 pm
Temas: 0
Programa: INVENTOR
Ubicación: Toledo
Agradecimiento recibido: 16 veces
Género:
Zodíaco:
Edad: 63
Estado: Desconectado

Re: (2009-12) Ejercicio NG Diciembre 2009

Mensaje por jcsblas »

Buenas tardes, de los mas fáciles pero algo tengo que tener mal por que le volumen se va mucho

ImagenImagen

Saludos

Última edición por Mondeo14 el Mié Nov 02, 2016 12:40 am, editado 2 veces en total.

Felicidad es querer lo que se hace, no hacer lo que se quiere.

Avatar de Usuario

Mondeo14
Webmaster
Webmaster
Mensajes: 11557
Registrado: Mar Nov 03, 2009 8:48 pm
Temas: 810
Programa: INVENTOR
Ubicación: NAVARRA
Agradecido : 4292 veces
Agradecimiento recibido: 3228 veces
Género:
Zodíaco:
Edad: 64
Estado: Conectado

Re: (2009-12) Ejercicio NG Diciembre 2009

Mensaje por Mondeo14 »

Valla, este es una de tantas cosas que me faltan por hacer :44 :44
Como lo he visto fácil, pues me he animado, así desconecto un poco de mis quehaceres cotidianos.

ImagenImagenImagen

Esta vez el volumen me ha quedado casi perfecto.

jcsblas escribió:

pero algo tengo que tener mal por que le volumen se va mucho

Tienes el mismo fallo que he cometido yo:

Imagen

En esta zona pone una cota de 5 que no entendía el por qué. Al hacer el plano y acotarlo, he visto que era mas grande, con lo que he deducido que el cono del agujero no es el que deja la punta de la broca, así que le he quitado el material y el volumen "casi" se ha cuadrado. Me ha fallado los decimales.

Última edición por Mondeo14 el Mié Nov 02, 2016 12:40 am, editado 1 vez en total.

Un saludo

Nos leemos, Mondi


Procesador: CPU Intel i7 4820kDisco Duro: SSD 500 GB y 2 TBMemoria RAM: 24 GB-DDR3 667 MHzTarjeta Gráfica: NVIDIA Quadro K2000 2 GB GDDR5


Avatar de Usuario

jcsblas
Oficial 3º
Oficial 3º
Mensajes: 731
Registrado: Vie Dic 16, 2011 12:26 pm
Temas: 0
Programa: INVENTOR
Ubicación: Toledo
Agradecimiento recibido: 16 veces
Género:
Zodíaco:
Edad: 63
Estado: Desconectado

Re: (2009-12) Ejercicio NG Diciembre 2009

Mensaje por jcsblas »

Gracias Mondeo , lo que me has dicho es lo que me pasaba y encima no he puesto esa cota

Imagen

Saludos

Última edición por Mondeo14 el Mié Nov 02, 2016 12:41 am, editado 2 veces en total.

Felicidad es querer lo que se hace, no hacer lo que se quiere.

Avatar de Usuario

Memicouso
Oficial 2º
Oficial 2º
Mensajes: 988
Registrado: Mar May 31, 2011 8:07 pm
Temas: 53
Programa: CATIA
Ubicación: Cádiz
Agradecido : 27 veces
Agradecimiento recibido: 53 veces
Género:
Zodíaco:
Edad: 57
Estado: Desconectado

Re: (2009-12) Ejercicio NG Diciembre 2009

Mensaje por Memicouso »

Dejo mi solución de éste ejercicio, el volumen casi :34. Salu2s

ImagenImagen

Última edición por Mondeo14 el Mié Nov 02, 2016 12:41 am, editado 2 veces en total.

No sé que tienen las flores, las flores de mi alameda que cuando las olas rompen rompen "pa" asomarse a verlas.

Avatar de Usuario

jaam_24
Maestr@
Maestr@
Mensajes: 3094
Registrado: Dom Jun 27, 2010 11:28 am
Temas: 162
Programa: SOLID WORKS
Ubicación: Barcelona
Agradecido : 1861 veces
Agradecimiento recibido: 2216 veces
Género:
Zodíaco:
Edad: 45
Estado: Desconectado

Re: (2009-12) Ejercicio NG Diciembre 2009

Mensaje por jaam_24 »

Buenas dejo mi solución el volumen un poco alto.

ImagenImagen

Saludos. :53

Última edición por Mondeo14 el Mié Nov 02, 2016 12:42 am, editado 1 vez en total.
Avatar de Usuario

euclides
Especialista
Especialista
Mensajes: 263
Registrado: Vie Dic 10, 2010 9:46 am
Temas: 17
Programa: INVENTOR
Ubicación: Sevilla
Agradecimiento recibido: 24 veces
Género:
Zodíaco:
Edad: 57
Estado: Desconectado

Re: (2009-12) Ejercicio NG Diciembre 2009

Mensaje por euclides »

Pues aquí mi solución. El volumen se va algo y no sé por qué. En principio, y según el plano, parece estar todo bien.

Imagen

Última edición por Mondeo14 el Mié Nov 02, 2016 12:42 am, editado 2 veces en total.
- Estación hp Z800
- Dos procesadores Xeon X5680 a 3,3 GHz
- Quadro 5000 2.5 GB
- 64 GB RAM
- 1 TB Raid 0 para el sistema
- 2 TB para almacén
- Windows 10 Prof. 64 bits
- Programa: Inventor 2018 Profesional.