Mi primer aporte en Solidworks

Para las cosas difíciles o complejas. Inténtalo y comprobarás lo dura que es esta profesión.
Imagen - INDICE EJERCICIOS PUBLICADOS


Tema anteriorTema siguiente
Avatar de Usuario

Autor del Tema
camaleon2040
En Prácticas
En Prácticas
Mensajes: 197
Registrado: Vie Oct 17, 2014 10:47 am
Temas: 63
Programa: SOLID WORKS
Agradecimiento recibido: 1 vez
Género:
Estado: Desconectado

Mi primer aporte en Solidworks

Mensaje por camaleon2040 »

Imagen

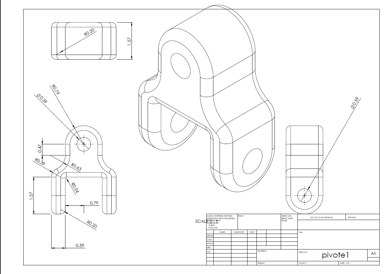
Mi primer ejercicio.

Última edición por Mondeo14 el Dom Dic 04, 2016 5:13 pm, editado 5 veces en total.
Razón: Añadido adjunto al post.
Avatar de Usuario

Ricardo
Moderador
Moderador
Mensajes: 8729
Registrado: Lun Nov 23, 2009 7:54 pm
Temas: 1225
Programa: SOLID WORKS
Agradecido : 3268 veces
Agradecimiento recibido: 3541 veces
Género:
Estado: Desconectado

Re: Mi primer aporte en Solidworks

Mensaje por Ricardo »

Muy, muy fácil

Imagen

Felices Fiestas

Última edición por jaam_24 el Lun Nov 14, 2016 8:39 pm, editado 1 vez en total.
https://astemar-ricardo.blogspot.com

Procesador Intel I7 12700K a 3'60 Ghz, Ram DDR3-1600 32 Gb, Tarjeta gráfica NVIDIA GeForce GT1030, Windows 11 Home 64 bits
Avatar de Usuario

Autor del Tema
camaleon2040
En Prácticas
En Prácticas
Mensajes: 197
Registrado: Vie Oct 17, 2014 10:47 am
Temas: 63
Programa: SOLID WORKS
Agradecimiento recibido: 1 vez
Género:
Estado: Desconectado

Re: Mi primer aporte en Solidworks

Mensaje por camaleon2040 »

Para mi sigue siendo complicado, felices fiestas.

Avatar de Usuario

Ricardo
Moderador
Moderador
Mensajes: 8729
Registrado: Lun Nov 23, 2009 7:54 pm
Temas: 1225
Programa: SOLID WORKS
Agradecido : 3268 veces
Agradecimiento recibido: 3541 veces
Género:
Estado: Desconectado

Re: Mi primer aporte en Solidworks

Mensaje por Ricardo »

Inténtalo y cuando algo no te salga, pregunta y te ayudaremos a terminarla.

Felices Fiestas

https://astemar-ricardo.blogspot.com

Procesador Intel I7 12700K a 3'60 Ghz, Ram DDR3-1600 32 Gb, Tarjeta gráfica NVIDIA GeForce GT1030, Windows 11 Home 64 bits
Avatar de Usuario

jaam_24
Maestr@
Maestr@
Mensajes: 3094
Registrado: Dom Jun 27, 2010 11:28 am
Temas: 162
Programa: SOLID WORKS
Ubicación: Barcelona
Agradecido : 1861 veces
Agradecimiento recibido: 2214 veces
Género:
Zodíaco:
Edad: 45
Estado: Desconectado

Re: Mi primer aporte en Solidworks

Mensaje por jaam_24 »

Buenos días, dejo mi solución
Imagen
Saludos y felices fiestas. :53

Última edición por jaam_24 el Lun Nov 14, 2016 8:39 pm, editado 1 vez en total.
Avatar de Usuario

fjlg_1987
Usuari@
Usuari@
Mensajes: 16
Registrado: Lun Dic 01, 2014 9:51 pm
Temas: 0
Programa: SOLID WORKS
Género:
Zodíaco:
Edad: 38
Estado: Desconectado

Re: Mi primer aporte en Solidworks

Mensaje por fjlg_1987 »

Muy buenas compañeros, esta es mi primer intervención, llevo poco tiempo en el foro y al fin me he decidido con esta pieza secillita. Como la he visto sencillita me atrevido con CATIA V5, soy profesional de la industria desde hace ocho años, aunque no pertenezco al departamento Cad, soy Fresador CNC, el Cad es algo que me gusta desde siempre, tengo varios cursos de SolidEdge, se me da bien el SolidWork y ahora me estoy atreviendo hacer algo en CATIA, sin más aqui os dejo una fotillo de la pieza, espero seguir aprendiendo, me parece un foro muy interesante, un saludo.

Imagen

Última edición por Mondeo14 el Dom Dic 04, 2016 5:15 pm, editado 1 vez en total.
Avatar de Usuario

Autor del Tema
camaleon2040
En Prácticas
En Prácticas
Mensajes: 197
Registrado: Vie Oct 17, 2014 10:47 am
Temas: 63
Programa: SOLID WORKS
Agradecimiento recibido: 1 vez
Género:
Estado: Desconectado

Re: Mi primer aporte en Solidworks

Mensaje por camaleon2040 »

Que bien, próximos ejercicios, pronto.

Avatar de Usuario

Mondeo14
Webmaster
Webmaster
Mensajes: 11386
Registrado: Mar Nov 03, 2009 8:48 pm
Temas: 704
Programa: INVENTOR
Ubicación: NAVARRA
Agradecido : 4116 veces
Agradecimiento recibido: 3021 veces
Género:
Zodíaco:
Edad: 64
Estado: Desconectado

Re: Mi primer aporte en Solidworks

Mensaje por Mondeo14 »

Mar Dic 23, 2014 7:21 - jaam_24 escribió:

Buenas, yo no he podido abrirlo. Supongo que por la versión.

Hola Jaam, no es problema de versión, es problema de que te ha adjuntado un plano sin el 3D. Cuando intentas abrirlo, te presenta el plano en la previsualización y cuando lo termina de abrir, las vistas desaparecen, dejando en su lugar los rectángulos de lo que ocupan.
Pero todo tiene solución:

Imagen

Buscas el plano de SW que quieres abrir, lo seleccionas y antes de abrirlo, despliegas la zona "Modo" y eliges la opción "Vista rápida", esto hace que ignore el 3D y te muestre el plano tal y como estaba a la hora de guardarlo.

Última edición por jaam_24 el Lun Nov 14, 2016 8:40 pm, editado 3 veces en total.

Un saludo

Nos leemos, Mondi


Procesador: CPU Intel i7 4820kDisco Duro: SSD 500 GB y 2 TBMemoria RAM: 24 GB-DDR3 667 MHzTarjeta Gráfica: NVIDIA Quadro K2000 2 GB GDDR5


Tema anteriorTema siguiente