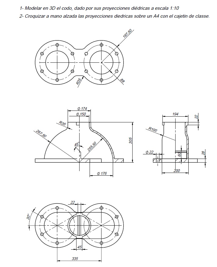
Buenos días,
He modelado la siguiente pieza (Codo), dadas sus proyecciones diédricas.

Me gustaría que alguien pudiese ayudarme en corregir mis errores.
Adjunto la pieza y las vistas.
Saludos.

Buenos días,
He modelado la siguiente pieza (Codo), dadas sus proyecciones diédricas.

Me gustaría que alguien pudiese ayudarme en corregir mis errores.
Adjunto la pieza y las vistas.
Saludos.

Si es verdad que no es complicado, tampoco creo que sea para empezar.
. Ésta es mi solución con catia. Salu2s .



No sé que tienen las flores, las flores de mi alameda que cuando las olas rompen rompen "pa" asomarse a verlas.

Hola inverse.
Por poner alguna pega te diré que sobra el croquis 6, lo repites luego para hacer la operación.
Saludos.

Hola inverse.
Si haces una sección verás que la plataforma inferior que debe tener un grueso de 28, al hacer el vaciado también te vacía esa parte, te deja 2 paredes de 12 y un hueco de 4 (total 28).
Para que esto no ocurra debemos hacer el recubrir y el vaciado primero y después hacer la extrusión de la parte inferior.
Por otro lado puedes decirle a tus profesores que los planos que entregan no están completos.
Saludos.

Pongo algunas imágenes para que se vea la sección, para tratar de que se entienda lo del salto al hacer el agujero y por ultimo dos imágenes, donde se ve la diferencia entre si ponemos 35 o ponemos 200, donde tu has puesto 81.
Saludos.
PD. El render nos quedará mucho mejor si redondeamos las aristas vivas.

Me he animado con este codo:

Un saludo.
Como pretender enamorarme de una, si le digo que está llena y se piensa que es ella y no la luna.
Do not educate your child to be rich. Educate him to be happy. So when he grows up, he will know the value of things, not the price.

Hola a todos.
Os dejo, el ejercicio.
Saludos.
Luis

Otra vez sin trabajo. Si alguien puede estar interesado o conoce a alguien, que ofrezca un sueldo digno, agradecería el contacto.
Saludos.

Ahora lo bueno estaría en explicar como lo habéis hecho para que el usuario que pregunta pueda intentar hacerlo con su programa. Sería un detalle de vuestra parte
![]()
Un saludo
Nos leemos, Mondi
Procesador: CPU Intel i7 4820k│Disco Duro: SSD 500 GB y 2 TB│Memoria RAM: 24 GB-DDR3 667 MHz│Tarjeta Gráfica: NVIDIA Quadro K2000 2 GB GDDR5│

Gracias a todos por la ayuda
.
Os dejo un tutorial de una posibilidad de como hacerlo. Sin utilizar Recubrimiento, ya que con recubrimiento faltaban datos en las vistas.
Un saludo!


Muy bien, pero te falta el nervio central interior.
Saludos.
PD. En todas las piezas no existe una única solución siempre hay variantes todas validas.

Hola que tal tengo una duda sobre una cota, ¿alguien sabe cual es el valor del radio R donde se localizan los barrenos de la base?, porque solo aparecen R 167.5 y R 88, pero ¿el de los barrenos cual es?.

No está, hay que inventárselo, creo que no es difícil.
Saludos.

jiij no, no esta difícil ya lo había hecho pero quería estar seguro de no estar inventando cosas.
Saludos y gracias.

Hola a todos, y reparto de puntos.
Vaya pieza, o sobran o faltan medidas, dependiendo de cómo se haga. Si se hace con un solevado, falta la cota que define el centro de R100. Si se hace con una revolución, entonces sobra el R100 (el centro y el radio).
Al margen de la cuestión anterior, ahora queda por ver cómo es el interior, y es que, dependiendo de cómo sea la unión con los dos tubos inferiores, se puede hacer de varias formas, de tal forma que aparezcan o no los escalones que comenta Ricardo. Si en el codo van a entrar los extremos de los tubos, entonces los huecos serán cilíndricos, y aparecerán los escalones; si por el contrario, los extremos de los tubos no entran en el codo, entonces los huecos no tienen por qué ser cilíndricos, y en ese caso es posible hacer los huecos de tal forma que no queden los escalones. Yo me inclino más por ésta última opción, y es que viendo los planos originales, podemos ver que la arista del escalón de la sección del alzado no llega al final. En la siguiente imagen podeis ver la diferencia entre una pieza modelada sin escalón y otra con escalón.

Falta definir la circunferencia sobre la que se situan los taladros. Lo que he hecho es hacerla de tal forma que los taladros queden centrados en el espacio disponible. Como he dicho antes, me he decantado por hacer la pieza sin escalones, y he optado por hacer la pieza con una revolución, así que en los planos no he dibujado el R100, que no hace falta.
Modelo realizado con Inventor y renderizado con KeyShot.


Un saludo

Buenos días
También me he animado a modelarlo

Saludos
Felicidad es querer lo que se hace, no hacer lo que se quiere.