Mando Digital+

Para las cosas difíciles o complejas. Inténtalo y comprobarás lo dura que es esta profesión.
Imagen - INDICE EJERCICIOS PUBLICADOS
Avatar de Usuario

Autor del Tema
jaam_24
Maestr@
Maestr@
Mensajes: 3090
Registrado: Dom Jun 27, 2010 11:28 am
Temas: 162
Programa: SOLID WORKS
Ubicación: Barcelona
Agradecido : 1861 veces
Agradecimiento recibido: 2221 veces
Género:
Zodíaco:
Edad: 46
Estado: Desconectado

Mando Digital+

Mensaje por jaam_24 »

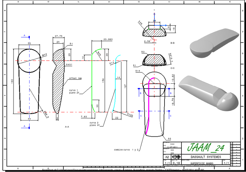
Bueno dejo una lamina de la superficie base para hacer el mando a distancia del canal+ que presente AQUí , la lamina me a dado mas de un quebradero de cabeza y con la supervisa de un profesional creo que esta apta para intentar hacerla, de todos modos si hay algún detalle comentarlo.

Imagen

Última edición por Mondeo14 el Dom Nov 13, 2016 1:39 am, editado 7 veces en total.
Razón: Añadido adjunto al post.
Avatar de Usuario

Mondeo14
Webmaster
Webmaster
Mensajes: 11925
Registrado: Mar Nov 03, 2009 8:48 pm
Temas: 903
Programa: INVENTOR
Ubicación: NAVARRA
Agradecido : 4663 veces
Agradecimiento recibido: 3825 veces
Género:
Zodíaco:
Edad: 64
Estado: Conectado

Re: Mando Digital+

Mensaje por Mondeo14 »

Pues el profesional tiene la vista un poco torcida o está cegato :44 :44 Acabo de detectar que te falta el radio en la "Curva 1 plano XY", en la zona inferior, cotas 30 y 11,4 con tu permiso lo anoto, es 48. Me he pasado el pdf a dwg y con Autocad lo he sacado. Me imagino que esta es la zona central del mando, concretamente donde está el corte A-A. Por cierto, no veo el radio en ese corte en la zona de la cota 5, a ver si puedo sacarlo con Autocad.
Seguro que te faltará mas cotas, es complejo de acotar este tipo de piezas, pero no te preocupes, este "profesional" también se olvida de algunas cotas en su trabajo diario :53 , ley de vida.

Un saludo

Nos leemos, Mondi


Procesador: CPU Intel i7 4820kDisco Duro: SSD 500 GB y 2 TBMemoria RAM: 24 GB-DDR3 667 MHzTarjeta Gráfica: NVIDIA Quadro K2000 2 GB GDDR5


Avatar de Usuario

Autor del Tema
jaam_24
Maestr@
Maestr@
Mensajes: 3090
Registrado: Dom Jun 27, 2010 11:28 am
Temas: 162
Programa: SOLID WORKS
Ubicación: Barcelona
Agradecido : 1861 veces
Agradecimiento recibido: 2221 veces
Género:
Zodíaco:
Edad: 46
Estado: Desconectado

Re: Mando Digital+

Mensaje por jaam_24 »

Buenas he corregido la lamina en el primer mensaje con alguna cota que faltaba. Si os encontráis que falta alguna cota mas (que podrí­a ser) comentarlo.
Saludos. :53

Avatar de Usuario

Joserra
Oficial 1º
Oficial 1º
Mensajes: 1636
Registrado: Sab Dic 05, 2009 6:59 pm
Temas: 100
Programa: AUTOCAD
Ubicación: Madrid
Agradecido : 729 veces
Agradecimiento recibido: 234 veces
Género:
Zodíaco:
Edad: 56
Estado: Desconectado

Re: Mando Digital+

Mensaje por Joserra »

Gracias Jaam. Me la he descargado y prometo buscarle tiempo. Seguro que aprendo algo, por cierto me gusto el trabajo que hiciste de este mando. Y tambien me gusto otro trabajo que vi, pero de otro compañero, el de un barco...en fin demasiadas cosas bonitas por intentar.

Saludos.

Imagen
Non nobis Domine, .. non nobis.! Sed nomini Tuo da gloriam !
Avatar de Usuario

Autor del Tema
jaam_24
Maestr@
Maestr@
Mensajes: 3090
Registrado: Dom Jun 27, 2010 11:28 am
Temas: 162
Programa: SOLID WORKS
Ubicación: Barcelona
Agradecido : 1861 veces
Agradecimiento recibido: 2221 veces
Género:
Zodíaco:
Edad: 46
Estado: Desconectado

Re: Mando Digital+

Mensaje por jaam_24 »

Joserra escribió:

Me la he descargado y prometo buscarle tiempo

Me alegro, ya pensaba que nadie le iba a meter mano.
Saludos. :53

Avatar de Usuario

Mondeo14
Webmaster
Webmaster
Mensajes: 11925
Registrado: Mar Nov 03, 2009 8:48 pm
Temas: 903
Programa: INVENTOR
Ubicación: NAVARRA
Agradecido : 4663 veces
Agradecimiento recibido: 3825 veces
Género:
Zodíaco:
Edad: 64
Estado: Conectado

Re: Mando Digital+

Mensaje por Mondeo14 »

Yo ya lo hice, pero al no obtener resultados positivos, lo aparqué hasta que me venga la inspiración, que ha de ser divina, porque no se por donde empezar. Si, ya se que son superficies, pero quiero buscarle la vuelta con Inventor.

Un saludo

Nos leemos, Mondi


Procesador: CPU Intel i7 4820kDisco Duro: SSD 500 GB y 2 TBMemoria RAM: 24 GB-DDR3 667 MHzTarjeta Gráfica: NVIDIA Quadro K2000 2 GB GDDR5


Avatar de Usuario

Joserra
Oficial 1º
Oficial 1º
Mensajes: 1636
Registrado: Sab Dic 05, 2009 6:59 pm
Temas: 100
Programa: AUTOCAD
Ubicación: Madrid
Agradecido : 729 veces
Agradecimiento recibido: 234 veces
Género:
Zodíaco:
Edad: 56
Estado: Desconectado

Re: Mando Digital+

Mensaje por Joserra »

Hola Jaam. He comenzado, y a riesgo de ser osado, encuentro algo que podria comprometerme (aunque no deberia afirmarlo, pues no lo he terminado).

Por favor: ¿estas seguro de tu cota que actualmente figura como 23.993 en la curva 1?

Me explico, ten paciencia pues me gusta tu ejercicio:

La lamina sugiere que parte del cuerpo es un casquete esferico ¿OK?, Confirmamelo tambien pues de no ser asi, no tiene sentido mi cuestion, ya que entiendo que las apariciones de la cota 29 es la mitad del diam 58.

Lo otro que sugieres, es que se podria definir gran parte del cuerpo solo con dos proyecciones. Y es por eso por lo que entiendo tus referencias a combinarlas o interseccionado ortogonalmente lo que resulte de extrusionar la curva 1 y 2 respectivamente.

Sin embargo en tu seccion A-A encuentro dos cosas que me llaman la atencion:

Una es que hay un plano horizontal a 27.75
Y es que "...inicialmente.." no me cuadra tu otra figura (la de la curva 1) en relacion con la seccion A-A la cota 23.993.
Espero haberme explicado, aunque seria mejor terminando e ejercicio...

La otra cosa que me llama la atencion es que si es verdad que la cota de lo que yo llamo plano corta a la esfera (...la cual debo situar muy bien...), y pienso que su corte daria un circulo, siendo este el de radio 14 de tu curva 2

No se si me he explicado, tengo además alguna observacion y es acerca de como distinguir mas de una aparicion de cota que acota la misma entidad inequivoca (que no las distingues)..Por ejemplo la cota 44 y sus apariciones como 22, las dejo para el final. Pero bueno, al lio.

Un abrazo

Imagen
Non nobis Domine, .. non nobis.! Sed nomini Tuo da gloriam !
Avatar de Usuario

Carlos00
Oficial 1º
Oficial 1º
Mensajes: 1109
Registrado: Lun Nov 23, 2009 7:30 pm
Temas: 83
Programa: CATIA
Ubicación: Barcelona
Agradecido : 13 veces
Agradecimiento recibido: 15 veces
Género:
Zodíaco:
Edad: 56
Estado: Desconectado

Re: Mando Digital+

Mensaje por Carlos00 »

...yo le he echado un vistazo, pero como que voy a necesitar unas gafas :50 ...o algo "especial" para dislumbrar algo :45

...asi que lo guardo en favoritos y a seguir atentamente vuestras "elocubraciones" :67

Salu2

No importa lo lejos que llegues en la vida, sino como lo hagas en ésta

Avatar de Usuario

Joserra
Oficial 1º
Oficial 1º
Mensajes: 1636
Registrado: Sab Dic 05, 2009 6:59 pm
Temas: 100
Programa: AUTOCAD
Ubicación: Madrid
Agradecido : 729 veces
Agradecimiento recibido: 234 veces
Género:
Zodíaco:
Edad: 56
Estado: Desconectado

Re: Mando Digital+

Mensaje por Joserra »

De todas maneras este ejercicio es muy interesante, pienso (a riesgo de equivocarme) que uno de sus secretos está en el plano de altura (hay que sacarlo 1º, esta implicito en lo que sugiere el plano en esa zona), cilindro contra esfera y...bueno, de mi pregunta, ya confirmaremos que distancias parten de hay, practicandolo, claro

Un saludo

Imagen
Non nobis Domine, .. non nobis.! Sed nomini Tuo da gloriam !
Avatar de Usuario

Autor del Tema
jaam_24
Maestr@
Maestr@
Mensajes: 3090
Registrado: Dom Jun 27, 2010 11:28 am
Temas: 162
Programa: SOLID WORKS
Ubicación: Barcelona
Agradecido : 1861 veces
Agradecimiento recibido: 2221 veces
Género:
Zodíaco:
Edad: 46
Estado: Desconectado

Re: Mando Digital+

Mensaje por jaam_24 »

Joserra escribió:

¿estas seguro de tu cota que actualmente figura como 23.993 en la curva 1?

Bueno creo que si, te comento que los finales de la curva 1 y 2 son coincidencias a la superficie y la cota de 23.993 puede confundir por que en la sección A-A es 25, pero lo que vemos en la sección no se corresponde con la curva 1, dicho de otra manera la curva 1 es la curva rosa vista desde el planoZY y la curva 2 es la misma curva rosa desde el plano XY.

Joserra escribió:

Sin embargo en tu seccion A-A encuentro dos cosas que me llaman la atencion:

Una es que hay un plano horizontal a 27.75
Y es que "...inicialmente.." no me cuadra tu otra figura (la de la curva 1) en relacion con la seccion A-A la cota 23.993.
Espero haberme explicado, aunque seria mejor terminando e ejercicio...

La cota de 27.75 es la altura de la curva no hay ninguna parte plana.
Si queréis pongo alguna captura de algún detalle concreto.
Saludos. :53

Avatar de Usuario

Joserra
Oficial 1º
Oficial 1º
Mensajes: 1636
Registrado: Sab Dic 05, 2009 6:59 pm
Temas: 100
Programa: AUTOCAD
Ubicación: Madrid
Agradecido : 729 veces
Agradecimiento recibido: 234 veces
Género:
Zodíaco:
Edad: 56
Estado: Desconectado

Re: Mando Digital+

Mensaje por Joserra »

Ja ja....Si tu lo dices Jaamm :53 ...que eres el que lo ha echo, oye !! es un dato.

De todas maneras amigo mio, tu explicacion no acaba de aclararme. y se que es dificil expresar un dibujo por palabras.

Te he entendido en parte, la parte plana que yo me refiero es en el extremo de la parte redondeada, ¿sabes? si en la seccion A-A se ve una linea.

Por otra parte, entiendo lo que dices de los dos perfiles, basicamente es la explicacion del combine. Pero sigo pensando que una de las dos cotas de las que te hablo la de 23.993 o 25 esta mal.

Tu dices que la de 25 puede confundir (como si fuera una cota distinta) y eso es contradictorio con lo que explicas de los perfiles (o asi me lo parece). Mira, otra cosa, ese puntico relacionado en la seccion A-A no puede estar acotado al mismo tiempo con la cota 29 y la cota 25 No puede, si esta contenido en esa curva que se ve en la seccion A-A. ¿lo ves?.

Y tambien dices que la cota 27.75 es el plano de altura....vale. pero ese valor tambien lo cuestiono de momento, Seguramente me equivoque yo, a veces me pasa al tener que elegir antes de esa, cotas "repes" que acotan o llevan a una misma posicion.

De todas maneras, "porfa" (no pongas ninguna foto en concreto? pues me daria una pista y quiero ver lo que dices por mi mismo, ...a no ser que otro colega lo pida, naturalmente. Para mi, por ahora dime al menos si hay una esfera en esa zona ¿OK?

Un saludo

Imagen
Non nobis Domine, .. non nobis.! Sed nomini Tuo da gloriam !
Avatar de Usuario

Autor del Tema
jaam_24
Maestr@
Maestr@
Mensajes: 3090
Registrado: Dom Jun 27, 2010 11:28 am
Temas: 162
Programa: SOLID WORKS
Ubicación: Barcelona
Agradecido : 1861 veces
Agradecimiento recibido: 2221 veces
Género:
Zodíaco:
Edad: 46
Estado: Desconectado

Re: Mando Digital+

Mensaje por jaam_24 »

Joserra escribió:

Pero sigo pensando que una de las dos cotas de las que te hablo la de 23.993 o 25 esta mal.

Te dire que la cota de 25 se refiere a la superficie mas alta que se corresponde a la de R451 y el 23.993corresponde al offset de 1mm de la superficie antes comentada.

Joserra escribió:

por ahora dime al menos si hay una esfera en esa zona ¿OK?

Puede que el resultado lo sea, por lo que comentabas antes, pero yo no he partido de ninguna esfera.
Saludos. :53

Avatar de Usuario

Joserra
Oficial 1º
Oficial 1º
Mensajes: 1636
Registrado: Sab Dic 05, 2009 6:59 pm
Temas: 100
Programa: AUTOCAD
Ubicación: Madrid
Agradecido : 729 veces
Agradecimiento recibido: 234 veces
Género:
Zodíaco:
Edad: 56
Estado: Desconectado

Re: Mando Digital+

Mensaje por Joserra »

--Jaam: ..."y el 23.993corresponde al offset de 1mm de la superficie antes comentada...".

Gracias compañero, eso ya me aclara algo. Me pongo a revisar y ya te contare

Hay que ver que ejercicio mas bonito !!

Imagen
Non nobis Domine, .. non nobis.! Sed nomini Tuo da gloriam !
Avatar de Usuario

Joserra
Oficial 1º
Oficial 1º
Mensajes: 1636
Registrado: Sab Dic 05, 2009 6:59 pm
Temas: 100
Programa: AUTOCAD
Ubicación: Madrid
Agradecido : 729 veces
Agradecimiento recibido: 234 veces
Género:
Zodíaco:
Edad: 56
Estado: Desconectado

Re: Mando Digital+

Mensaje por Joserra »

Cita de Mondeo:

"...Acabo de detectar que te falta el radio en la "Curva 1 plano XY", en la zona inferior, cotas 30 y 11,4 con tu permiso lo anoto..."

Hola de nuevo. Aquí­ el pesao otra vez, ...Ahora, necesito confirmar otra zona diferente, ( la cota 5 de intersección a intersección, supongo)

Mondeo o Jaam. Tengo entendido que hubo una primera lamina, y que luego fue enmendada. Y ando precisamente revisándome eso,

Por favor ¿podrí­ais pasarme aunque sea por MP, la 1º lamina, la de la versión original?

gracias de antemano

Imagen
Non nobis Domine, .. non nobis.! Sed nomini Tuo da gloriam !
Avatar de Usuario

Mondeo14
Webmaster
Webmaster
Mensajes: 11925
Registrado: Mar Nov 03, 2009 8:48 pm
Temas: 903
Programa: INVENTOR
Ubicación: NAVARRA
Agradecido : 4663 veces
Agradecimiento recibido: 3825 veces
Género:
Zodíaco:
Edad: 64
Estado: Conectado

Re: Mando Digital+

Mensaje por Mondeo14 »

Ya lo tiene Joserra, pero no te lí­es :44 :44

Un saludo

Nos leemos, Mondi


Procesador: CPU Intel i7 4820kDisco Duro: SSD 500 GB y 2 TBMemoria RAM: 24 GB-DDR3 667 MHzTarjeta Gráfica: NVIDIA Quadro K2000 2 GB GDDR5