Hago este pequeño aporte que he conseguido por Internet y que no he logrado completar, a ver si alguien se anima.


Hago este pequeño aporte que he conseguido por Internet y que no he logrado completar, a ver si alguien se anima.


Hola.
Ya tengo impreso el plano y lo pongo en trabajos pendientes, no desesperes hay varios delante, pero se intentará.
Un saludo.

Cando tenga un rato le pegare una boooleanas.
punto y saludo, Yomber.
http://catiaeinventorconciri.blogspot.com/
http://inventorconciri.blogspot.com/
http://planosconciri.blogspot.com/
http://haciendomuebles.blogspot.com/
No te tomes la vida muy en serio, no vas a salir vivo de esta...

Otro que nos puede dar algún dolor de cabeza.
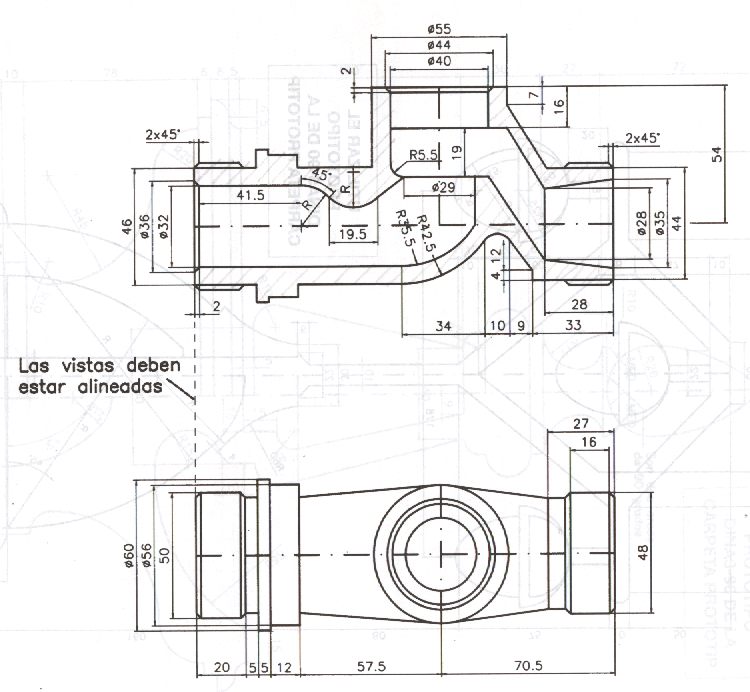
Por si os decidís a hacerlo, no pongo ninguna vista isométrica, para no dar pistas.


Un saludo.

Ricardo, no paras... no te digo mas... un crak!
y un punto!
http://catiaeinventorconciri.blogspot.com/
http://inventorconciri.blogspot.com/
http://planosconciri.blogspot.com/
http://haciendomuebles.blogspot.com/
No te tomes la vida muy en serio, no vas a salir vivo de esta...


Hola , podrias colocar una vista isométrica de la valvula para poder tener un mejor entendimiento de la pieza , el detalle que me interesa es el de la parte central de la pieza (donde va la válvula), quisiera saber si es recto o curvo , en la vista de seccion no se aprecia suficiente, gracias por su atencion.
Un interesante ejercicio ,felicitaciones , lo voy a hacer como jugando.
Saludos.

juanfrancisco escribió:lo voy a hacer como jugando.
Pues jugando, haz tu interpretación, de forma que la vista en sección y la planta sean iguales a lo propuesto.
Ya se dijo en día, si colocamos la vista isométrica es dar pistas y de momento se trata de hacer trabajar un poco a la cabeza.
![]()
Saludos.

Hola podria colocar el enlace de donde saco este buen diseño, tambiem podria colocar su volumen ,si no es mucha molestia claro,solamete para tener de referencia que estoy llendo por buen camino.Gracias.

Hola Juanfrancisco, el enlace que te ponga no será nada mas que el de una imagen, en caso de existir tal enlace. Tal vez sea un a hoja escaneada de un libro y por cierto, bastante antiguo. Si te das cuenta, es una pieza hecha en 2D, no creo que exista un 3D de la misma. ¿El volumen?, no tiene ninguna importancia, el resultado final es el que importa.
Te voy a contar un secreto, cuando yo comencé en el mundo del CAD, dibujar en 3D era un sueño inimaginable. Siempre tenías un plano con las vistas y los cortes correspondientes y con ello debías de hacerte una idea mentalmente de como sería la pieza físicamente. Este tipo de piezas se acotaban las partes importantes y en algunos casos, las cotas de una vista difícilmente se podían respetar en la otra vista, es decir, que cuando te pones a dibujarlo en 3D o cumples una vista o la otra, pero las dos, difícilmente que coincidan. Algunas veces se dejaban zonas sin acotar porque no tenían importancia y luego el que fabricaba la pieza, hacía las uniones o remates correspondientes.
En este caso de lo que se trata es de tratar de hacer la pieza lo mas parecida al plano. Has de imaginarte alguna parte, pero has de respetar en lo posible todas las cotas. Y no te preocupes de que no se parezca a alguna otra pieza que este hecha, esto es un entretenimiento, no un concurso. Las cosas las hacemos por pasar el rato, no para fabricarla, ni para hacer cálculos de elementos finitos, ni para mecanizarla.
A mi particularmente hay piezas que se me atragantan, esta puede ser una, pero al final se pueden sacar. Si miras >, encontrarás algo parecido y una vista en 3D para que te hagas una idea.
Un saludo
Nos leemos, Mondi
Procesador: CPU Intel i7 4820k│Disco Duro: SSD 500 GB y 2 TB│Memoria RAM: 24 GB-DDR3 667 MHz│Tarjeta Gráfica: NVIDIA Quadro K2000 2 GB GDDR5│

yomber69 escribió:hago este pequeño aporte q he conseguido por internet.
Hola yomber69 me preguntaba de que sitio de internet sacaste este buen ejemplo , gracias.

haber ricardo mirad si me puede pasar este modelo en 3d ya que e intentado de varias forma hacerlo y nada que me sale
saludos

Buenas, he estado un par de semanas sin tocar el Catia y cuando he vuelto me he querido lanzar a intentar esta válvula. La he conseguido hacer "entera", pero con un par de problemas que no consigo resolver. A ver si me podéis dar algún consejo.
Aquí dejo la pieza que he conseguido:

Como se puede ver, no he conseguido un interior "redondo". La pared exterior la hice con un "Multi-section Surface", y esta interior la hice con un "Blend". He intentado corregirla con la otra herramienta, pero me da diferentes errores de "intersección" de las curvas guía con las secciones (y estoy seguro de que intersectan).
Qué diferencia hay entre "curva guía" y "Spine"? Estoy intentando algo imposible?
La otra duda es la de la parte inclinada entre el boquete superior y la parte derecha de la válvula. La hice con un Blend y ajustando con la tensión en uno de los límites para que quedara redonda la parte de arriba... No sé si he hecho "trampas". Pero es que estuve intentando hacerlo con diferentes "Blend" y "M-S S" y no conseguí que quedara bien...
Gracias por el aporte! He aprendido algunas cosas aunque como se ve todavía tengo que aclarar algunos conceptos...

Vale...
Por qué ocurren estas cosas? Llevas pensando un par de horas qué es lo que no entiendes de algo, o por qué no funciona, te rindes, planteas la duda a alguien, y de repente encuentras la solución... ![]()
No me salía el interior redondo porque se había quedado por defecto una tensión distinta de 1 al hacer el Blend. La he cambiando a la normal (1) y ya sale todo perfecto:

Ahora, he hecho un "mirror" desde PD y he visto que tenía otro error en la pieza desde el principio:

Al haber hecho el exterior por medio del "Multi-Section Surface" no le he podido decir que quería una condición de tangencia en esa curva de abajo. Estoy intentando cambiarlo pero no encuentro la forma. Se puede hacer de alguna manera? Porque a estas alturas no me apetece nada empezar con un Blend.
Sigo teniendo la duda de la parte inclinada:

Que como dije antes la ajusté cambiando la tensión para que la parte de arriba fuera "redonda" o lo más parecida al círculo de 55 mm de diámetro. No he encontrado una forma mejor de hacer esa parte inclinada... ![]()
Y por último, eso que os preguntaba antes también: qué diferencia hay entre "Spine" y "curva guía"?
Gracias!
