Pieza d09 ej02

Ejercicios pensados para poder empezar a entender el 3D.
Imagen - INDICE EJERCICIOS PUBLICADOS


Tema anteriorTema siguiente
Avatar de Usuario

Autor del Tema
Ricardo
Moderador
Moderador
Mensajes: 8727
Registrado: Lun Nov 23, 2009 7:54 pm
Temas: 1223
Programa: SOLID WORKS
Agradecido : 3267 veces
Agradecimiento recibido: 3538 veces
Género:
Estado: Desconectado

Pieza d09 ej02

Mensaje por Ricardo »

Hola.

Ya paso Agosto, vamos a poner unos ejercicios para ir cogiendo practica.

Imagen Imagen

Saludos.

Última edición por Mondeo14 el Vie Mar 17, 2017 10:59 pm, editado 5 veces en total.
https://astemar-ricardo.blogspot.com

Procesador Intel I7 12700K a 3'60 Ghz, Ram DDR3-1600 32 Gb, Tarjeta gráfica NVIDIA GeForce GT1030, Windows 11 Home 64 bits
Avatar de Usuario

jaam_24
Maestr@
Maestr@
Mensajes: 3094
Registrado: Dom Jun 27, 2010 11:28 am
Temas: 162
Programa: SOLID WORKS
Ubicación: Barcelona
Agradecido : 1861 veces
Agradecimiento recibido: 2214 veces
Género:
Zodíaco:
Edad: 45
Estado: Desconectado

Re: Pieza d09 ej02

Mensaje por jaam_24 »

Buenos días, dejo mi solución.
El volumen solo se aproxima con aristas con chaflán y otras vivas.
ImagenImagen
Saludos. :53

Última edición por Ricardo el Mar Nov 01, 2016 10:00 pm, editado 1 vez en total.
Avatar de Usuario

jairo luis
Oficial 1º
Oficial 1º
Mensajes: 1659
Registrado: Dom Abr 03, 2011 6:47 am
Temas: 1
Programa: SOLID WORKS
Ubicación: sucre
Agradecido : 1 vez
Agradecimiento recibido: 11 veces
Género:
Estado: Desconectado

Re: Pieza d09 ej02

Mensaje por jairo luis »

aquí dejo la mía amigo ricardo mi volumen es Volumen = 42479.79 milímetros cúbicos

Imagen

Última edición por Ricardo el Mar Nov 01, 2016 10:00 pm, editado 1 vez en total.
Avatar de Usuario

jwpg216
Novat@
Novat@
Mensajes: 76
Registrado: Mié Jul 23, 2014 1:20 am
Temas: 0
Programa: SOLID WORKS
Ubicación: Valencia
Género:
Zodíaco:
Edad: 41
Estado: Desconectado

Re: Pieza d09 ej02

Mensaje por jwpg216 »

Mi solución. Con Catia y KS.

Imagen

Un saludo.

Última edición por Ricardo el Mar Nov 01, 2016 10:00 pm, editado 1 vez en total.

Página personal - http://alsorod.blogspot.com.es/

Avatar de Usuario

mpr1973
Novat@
Novat@
Mensajes: 97
Registrado: Lun Feb 03, 2014 10:23 am
Temas: 11
Programa: INVENTOR
Ubicación: Jerez de la Frontera
Agradecimiento recibido: 2 veces
Género:
Zodíaco:
Edad: 52
Estado: Desconectado

Re: Pieza d09 ej02

Mensaje por mpr1973 »

ahí va la mía :49

Imagen Imagen

el volumen casi lo clavo (error 0.05%)

saludos y +1 a todos :44
Última edición por Mondeo14 el Dom Dic 04, 2016 1:41 pm, editado 1 vez en total.
Avatar de Usuario

Mondeo14
Webmaster
Webmaster
Mensajes: 11383
Registrado: Mar Nov 03, 2009 8:48 pm
Temas: 704
Programa: INVENTOR
Ubicación: NAVARRA
Agradecido : 4113 veces
Agradecimiento recibido: 3018 veces
Género:
Zodíaco:
Edad: 64
Estado: Conectado

Re: Pieza d09 ej02

Mensaje por Mondeo14 »

Hola Mpr, me vas a perdonar, pero ya te he visto varios planos y se me revuelve el estómago cada vez que te los veo :44 :44 (soy un poco rarito).
Te he visto que cuando acotas, te pone dos decimales, pero sea medida entera o no. Ver una cota 14,00 me pone de los nervios, así que mira lo que te voy a explicar:
Abre la plantilla de los idw, busca la barra de herramientas "Administrar" y dentro de ella clica en "Editor de estilos", que lo encontrarás en "Estilos y normas".
Te sale un cuadro como este:

Imagen

Ojo, será distinto en muchos nombres, porque yo lo tengo personalizado.

Tu tendrás una sola "Norma", así que busca en el apartado "Cota", selecciona el estilo que estas usando (o vas probando uno a uno hasta que salga lo que te quiero contar, o se lo cambias a todos los que tengas allí) y en la parte derecha te aparecen varias pestañas. Quiero que tengas visible "Unidades" y fíjate en la parte que te marco, dentro de "Visualización". Tu lo tendrás marcado y por ello te salen los "ceros" de los decimales, si lo quitas, todas las cotas a partir de ahora, ya no saldrán con esos "ceros" tan molestos para mi :44 :44
Si te das cuenta, la parte de encima si esta marcada, porque si no saldría ,25 en lugar de 0,25

Y has de hacer estos cambios en la plantilla, si lo haces en el plano que has puesto, se cambia ahí solo y en futuros planos, tendrías que hacer lo mismo.

Y otro pequeño favor (ya te he dicho que soy muy rarito :44 :44 ), pon ejes a la piezas cilíndricas, el plano queda mucho mejor.

Última edición por Ricardo el Mar Nov 01, 2016 10:01 pm, editado 1 vez en total.

Un saludo

Nos leemos, Mondi


Procesador: CPU Intel i7 4820kDisco Duro: SSD 500 GB y 2 TBMemoria RAM: 24 GB-DDR3 667 MHzTarjeta Gráfica: NVIDIA Quadro K2000 2 GB GDDR5


Avatar de Usuario

mpr1973
Novat@
Novat@
Mensajes: 97
Registrado: Lun Feb 03, 2014 10:23 am
Temas: 11
Programa: INVENTOR
Ubicación: Jerez de la Frontera
Agradecimiento recibido: 2 veces
Género:
Zodíaco:
Edad: 52
Estado: Desconectado

Re: Pieza d09 ej02

Mensaje por mpr1973 »

Si lo llego a saber no acoto los planos como hacía al principio :44

Ahora en serio, agradezco la "colleja virtual" ya que en esta vida uno aprende más de los errores. :53

un saludo y que disfrutéis del fin de semana :49

Avatar de Usuario

Harold
Novat@
Novat@
Mensajes: 76
Registrado: Sab May 12, 2012 8:37 am
Temas: 0
Programa: SOLID EDGE
Agradecimiento recibido: 10 veces
Género:
Estado: Desconectado

Re: Pieza d09 ej02

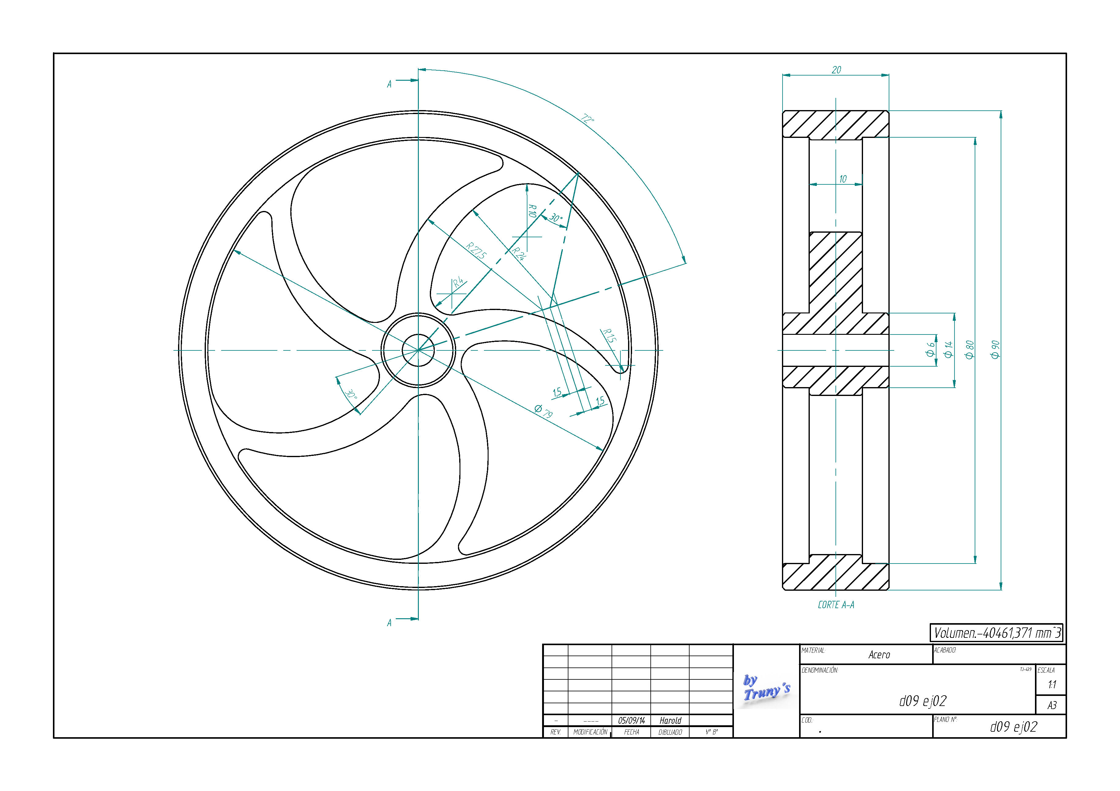
Mensaje por Harold »

Buenas Tardes a todos.
vamos con la pieza en Solid edge

ImagenImagen

Saludos Maestros

Última edición por Mondeo14 el Sab Mar 18, 2017 9:16 pm, editado 2 veces en total.
Avatar de Usuario

Mondeo14
Webmaster
Webmaster
Mensajes: 11383
Registrado: Mar Nov 03, 2009 8:48 pm
Temas: 704
Programa: INVENTOR
Ubicación: NAVARRA
Agradecido : 4113 veces
Agradecimiento recibido: 3018 veces
Género:
Zodíaco:
Edad: 64
Estado: Conectado

Re: Pieza d09 ej02

Mensaje por Mondeo14 »

.

Off Topic
mpr1973 escribió:

agradezco la "colleja virtual" ya que en esta vida uno aprende más de los errores.

Mi intención es enseñar lo que se, para ayudar a los demás. No te lo tomes como una crítica negativa, al contrario, te ayudara a "crecer" en el mundo del CAD, o eso es lo que pretendo.

Última edición por Ricardo el Mar Nov 01, 2016 10:02 pm, editado 1 vez en total.

Un saludo

Nos leemos, Mondi


Procesador: CPU Intel i7 4820kDisco Duro: SSD 500 GB y 2 TBMemoria RAM: 24 GB-DDR3 667 MHzTarjeta Gráfica: NVIDIA Quadro K2000 2 GB GDDR5


Avatar de Usuario

matytias
Usuari@
Usuari@
Mensajes: 40
Registrado: Mar Ago 20, 2013 2:50 pm
Temas: 7
Programa: SOLID WORKS
Agradecimiento recibido: 1 vez
Género:
Estado: Desconectado

Re: Pieza d09 ej02

Mensaje por matytias »

Hola amigos acá subo mi solución en NX de a poco logro conocerlo mas. Saludos desde argentina.
al volumen no le pegue

Imagen

Última edición por Mondeo14 el Dom Dic 04, 2016 1:42 pm, editado 2 veces en total.
Avatar de Usuario

Maquito
Novat@
Novat@
Mensajes: 74
Registrado: Lun Ago 19, 2013 6:00 pm
Temas: 0
Programa: CATIA
Agradecimiento recibido: 4 veces
Género:
Estado: Desconectado

Re: Pieza d09 ej02

Mensaje por Maquito »

A mi me sale un volumen de 40512,416 mm3 en CATIA

Imagen

Última edición por Ricardo el Mar Nov 01, 2016 10:03 pm, editado 1 vez en total.
Tema anteriorTema siguiente