Abrazadera de soporte

Ejercicios pensados para poder empezar a entender el 3D.
Imagen - INDICE EJERCICIOS PUBLICADOS


Avatar de Usuario

Autor del Tema
jcsblas
Oficial 3º
Oficial 3º
Mensajes: 731
Registrado: Vie Dic 16, 2011 12:26 pm
Temas: 0
Programa: INVENTOR
Ubicación: Toledo
Agradecimiento recibido: 16 veces
Género:
Zodíaco:
Edad: 63
Estado: Desconectado

Abrazadera de soporte

Mensaje por jcsblas »

Buenos días
Navegando por la red encontré esto, para practicar el módulo de chapa

Imagen

y el resultado es este

Imagen

Un saludo

Última edición por Mondeo14 el Sab Dic 03, 2016 10:11 pm, editado 4 veces en total.
Razón: Añadido adjunto al post.

Felicidad es querer lo que se hace, no hacer lo que se quiere.

Avatar de Usuario

Harold
Novat@
Novat@
Mensajes: 76
Registrado: Sab May 12, 2012 8:37 am
Temas: 0
Programa: SOLID EDGE
Agradecimiento recibido: 10 veces
Género:
Estado: Desconectado

Re: Abrazadera de soporte

Mensaje por Harold »

Buenas tardes compañeros
hay va mi desarrollo.
Hay algo que no me cuadra, porque entiendo que en diferentes desarrollos tengamos pequeñas diferencias de décimas, pero en la largada de la pieza la diferencia son milímetros, creo que viene dado de la cota que nos pide el plano de 143, lo que nos supone, que las aletas de los extremos no son iguales.

Imagen

saludos

Última edición por Mondeo14 el Sab Dic 03, 2016 10:13 pm, editado 1 vez en total.
Avatar de Usuario

Ricardo
Moderador
Moderador
Mensajes: 8727
Registrado: Lun Nov 23, 2009 7:54 pm
Temas: 1223
Programa: SOLID WORKS
Agradecido : 3267 veces
Agradecimiento recibido: 3538 veces
Género:
Estado: Desconectado

Re: Abrazadera de soporte

Mensaje por Ricardo »

Hola Harold.

Dos cuestiones
1 - No se de donde sacas que en el plano original está esa cota de 143, creo que te la has inventado tu y por eso te ves obligado a hacer que las dos pestañas no sean iguales como marca el plano.

2 - En la vista de alzado, a la derecha, la cota al lado de la de 22 es 19, tu has puesto 20.

Si revisas esto tal vez entonces te coincida el desarrollo.

Saludos.

https://astemar-ricardo.blogspot.com

Procesador Intel I7 12700K a 3'60 Ghz, Ram DDR3-1600 32 Gb, Tarjeta gráfica NVIDIA GeForce GT1030, Windows 11 Home 64 bits
Avatar de Usuario

El Txingu
En Prácticas
En Prácticas
Mensajes: 157
Registrado: Mié May 04, 2011 12:42 pm
Temas: 0
Programa: INVENTOR
Ubicación: GETXO
Agradecimiento recibido: 2 veces
Género:
Zodíaco:
Edad: 54
Estado: Desconectado

Re: Abrazadera de soporte

Mensaje por El Txingu »

Hola.

jcsblas, gracias por haber compartido en el foro el plano.

La cota de 143mm viene en el plano original. Justo encima de la sección donde se nos marca el grosor del material.... Por eso a mi también me sale el ala izda de 26mm.
La cota al lado de la de 22 a mi también me sale 20mm. A mí me sale eso porque según vemos los dos agujeros son concéntricos. El de abajo está en una ala de 19mm, pero a 10mm del lado izquierdo (está acotado en el plano original). Eso quiere decir que 9mm es hasta la derecha de ese pliegue. Menos los 29mm que vienen acotados del agujero de la parte superior en el plano original que ha compartido jcsblas con todos nosotros nos da los 20mm que ha acotado Harold ...

Imagen

Saludos

Última edición por Ricardo el Dom Nov 06, 2016 11:38 pm, editado 2 veces en total.
Avatar de Usuario

Autor del Tema
jcsblas
Oficial 3º
Oficial 3º
Mensajes: 731
Registrado: Vie Dic 16, 2011 12:26 pm
Temas: 0
Programa: INVENTOR
Ubicación: Toledo
Agradecimiento recibido: 16 veces
Género:
Zodíaco:
Edad: 63
Estado: Desconectado

Re: Abrazadera de soporte

Mensaje por jcsblas »

Buenas tardes
Lleváis razón no me he dado cuenta de esa cota de 143 lo arreglare
Un saludo

Felicidad es querer lo que se hace, no hacer lo que se quiere.

Avatar de Usuario

Autor del Tema
jcsblas
Oficial 3º
Oficial 3º
Mensajes: 731
Registrado: Vie Dic 16, 2011 12:26 pm
Temas: 0
Programa: INVENTOR
Ubicación: Toledo
Agradecimiento recibido: 16 veces
Género:
Zodíaco:
Edad: 63
Estado: Desconectado

Re: Abrazadera de soporte

Mensaje por jcsblas »

Buenas tardes
Adjunto la imagen modificada

Imagen

Un saludo

Última edición por Mondeo14 el Sab Dic 03, 2016 10:13 pm, editado 5 veces en total.
Razón: Añadido adjunto al post.

Felicidad es querer lo que se hace, no hacer lo que se quiere.

Avatar de Usuario

Ricardo
Moderador
Moderador
Mensajes: 8727
Registrado: Lun Nov 23, 2009 7:54 pm
Temas: 1223
Programa: SOLID WORKS
Agradecido : 3267 veces
Agradecimiento recibido: 3538 veces
Género:
Estado: Desconectado

Re: Abrazadera de soporte

Mensaje por Ricardo »

Perdón Harold, posiblemente tu dibujo esté bien, todo lo que he dicho ha sido fijándome en el plano que ha hecho jcsblas y no en el original en perspectiva.

Saludos.

PD. Ya me abofeteo yo por el error.

https://astemar-ricardo.blogspot.com

Procesador Intel I7 12700K a 3'60 Ghz, Ram DDR3-1600 32 Gb, Tarjeta gráfica NVIDIA GeForce GT1030, Windows 11 Home 64 bits
Avatar de Usuario

Harold
Novat@
Novat@
Mensajes: 76
Registrado: Sab May 12, 2012 8:37 am
Temas: 0
Programa: SOLID EDGE
Agradecimiento recibido: 10 veces
Género:
Estado: Desconectado

Re: Abrazadera de soporte

Mensaje por Harold »

Buenas noches compañeros

no tienes que pedir perdón por nada Ricardo, y menos abofetearte.
justamente esto es lo que hace grande este foro, las propuestas y las
dudas, el comentarlo y plantearlo en grupo, es con la visión de
todos como podemos avanzar y mejorar.
saludos

Avatar de Usuario

Trazo
RIP - DEP
RIP - DEP
Mensajes: 785
Registrado: Vie Abr 13, 2012 1:31 pm
Temas: 0
Programa: AUTOCAD
Ubicación: EN EL CIELO
Agradecimiento recibido: 31 veces
Género:
Estado: Desconectado

Re: Abrazadera de soporte

Mensaje por Trazo »

Hola a todos, y reparto de puntos.

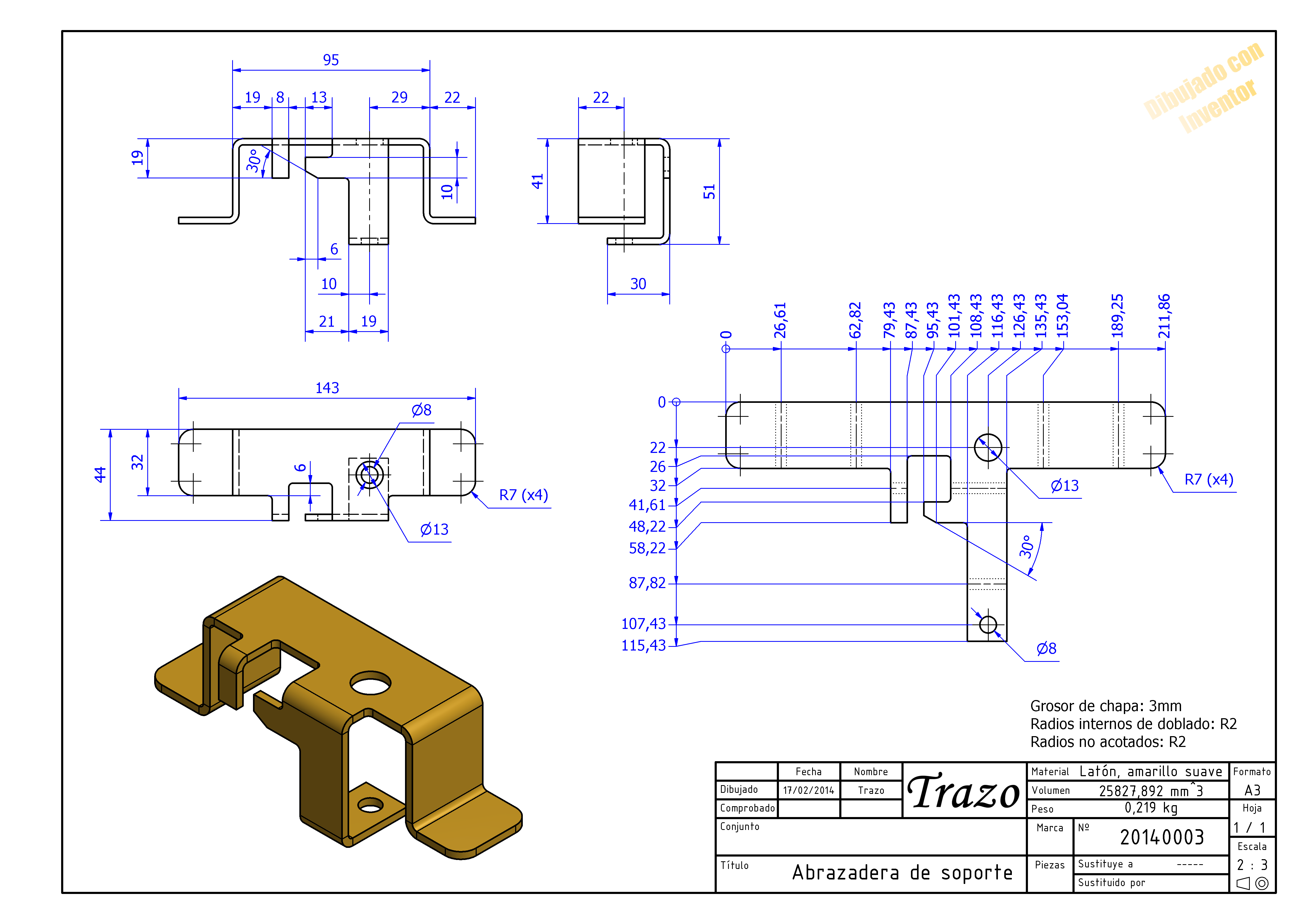
jcsblas, te toca repasar el diámetro de los taladros, ya que tienes uno mal. Tienen diámetros 13 y 10, y deben tener 13 y 8.

No he tocado muchas veces el módulo de chapa de Inventor, pero algo ha salido. Aquí va el plano de la abrazadera, con el desarrollo incluido.

Imagen

Un saludo

Última edición por Mondeo14 el Sab Dic 03, 2016 10:14 pm, editado 1 vez en total.
Avatar de Usuario

Ricardo
Moderador
Moderador
Mensajes: 8727
Registrado: Lun Nov 23, 2009 7:54 pm
Temas: 1223
Programa: SOLID WORKS
Agradecido : 3267 veces
Agradecimiento recibido: 3538 veces
Género:
Estado: Desconectado

Re: Abrazadera de soporte

Mensaje por Ricardo »

Hola a tod@s.

La pieza ningún problema, aquí la tenéis

Imagen

Pero...., estoy en SolidWorks y no consigo meter en un solo plano la pieza plegada y el desarrollo, a ver si mañana se enciende la luz.

Saludos.

Última edición por Mondeo14 el Vie Mar 17, 2017 9:16 pm, editado 2 veces en total.
https://astemar-ricardo.blogspot.com

Procesador Intel I7 12700K a 3'60 Ghz, Ram DDR3-1600 32 Gb, Tarjeta gráfica NVIDIA GeForce GT1030, Windows 11 Home 64 bits
Avatar de Usuario

Mondeo14
Webmaster
Webmaster
Mensajes: 11383
Registrado: Mar Nov 03, 2009 8:48 pm
Temas: 704
Programa: INVENTOR
Ubicación: NAVARRA
Agradecido : 4113 veces
Agradecimiento recibido: 3018 veces
Género:
Zodíaco:
Edad: 64
Estado: Conectado

Re: Abrazadera de soporte

Mensaje por Mondeo14 »

Me ha picado la curiosidad y he mirado a ver si descubría algo. Mira la imagen, a ver si es lo que buscas.

Imagen

Última edición por Mondeo14 el Sab Mar 11, 2017 2:15 am, editado 2 veces en total.

Un saludo

Nos leemos, Mondi


Procesador: CPU Intel i7 4820kDisco Duro: SSD 500 GB y 2 TBMemoria RAM: 24 GB-DDR3 667 MHzTarjeta Gráfica: NVIDIA Quadro K2000 2 GB GDDR5


Avatar de Usuario

Ricardo
Moderador
Moderador
Mensajes: 8727
Registrado: Lun Nov 23, 2009 7:54 pm
Temas: 1223
Programa: SOLID WORKS
Agradecido : 3267 veces
Agradecimiento recibido: 3538 veces
Género:
Estado: Desconectado

Re: Abrazadera de soporte

Mensaje por Ricardo »

Posiblemente tenga que mirarlo mas despacio, de momento no me funciona.

He empleado el siguiente truco:

Guardo el fichero dos veces con nombres distintos, claro está.
En uno tengo la pieza plegada
En el otro tengo la pieza desplegada

Ahora, ya en el plano 2D, puedo hacer referencia a los dos para que me aparezcan las dos opciones en un mismo plano

Imagen

No será muy ortodoxo pero funciona.

Saludos.

Última edición por Mondeo14 el Vie Mar 17, 2017 9:16 pm, editado 2 veces en total.
https://astemar-ricardo.blogspot.com

Procesador Intel I7 12700K a 3'60 Ghz, Ram DDR3-1600 32 Gb, Tarjeta gráfica NVIDIA GeForce GT1030, Windows 11 Home 64 bits
Avatar de Usuario

Autor del Tema
jcsblas
Oficial 3º
Oficial 3º
Mensajes: 731
Registrado: Vie Dic 16, 2011 12:26 pm
Temas: 0
Programa: INVENTOR
Ubicación: Toledo
Agradecimiento recibido: 16 veces
Género:
Zodíaco:
Edad: 63
Estado: Desconectado

Re: Abrazadera de soporte

Mensaje por jcsblas »

Buenos días
Ahora creo que si lo tengo bien, las prisas no son buenas. Buena vista Trazo
Imagen
Un saludo

Última edición por Ricardo el Dom Nov 06, 2016 11:43 pm, editado 1 vez en total.

Felicidad es querer lo que se hace, no hacer lo que se quiere.

Avatar de Usuario

Memicouso
Oficial 2º
Oficial 2º
Mensajes: 988
Registrado: Mar May 31, 2011 8:07 pm
Temas: 53
Programa: CATIA
Ubicación: Cádiz
Agradecido : 27 veces
Agradecimiento recibido: 53 veces
Género:
Zodíaco:
Edad: 57
Estado: Desconectado

Re: Abrazadera de soporte

Mensaje por Memicouso »

Mi solución con Catia. Salu2s :68 y reparto de points.

ImagenImagen

Última edición por Mondeo14 el Sab Mar 11, 2017 2:17 am, editado 2 veces en total.

No sé que tienen las flores, las flores de mi alameda que cuando las olas rompen rompen "pa" asomarse a verlas.

Avatar de Usuario

jaam_24
Maestr@
Maestr@
Mensajes: 3094
Registrado: Dom Jun 27, 2010 11:28 am
Temas: 162
Programa: SOLID WORKS
Ubicación: Barcelona
Agradecido : 1861 veces
Agradecimiento recibido: 2214 veces
Género:
Zodíaco:
Edad: 45
Estado: Desconectado

Re: Abrazadera de soporte

Mensaje por jaam_24 »

buenos días, dejo mi solución respecto al primer PDF. Ya he visto que luego a habido correcciones, pero lo he visto tarde.

ImagenImagen

Saludos. :53

Última edición por Ricardo el Dom Nov 06, 2016 11:44 pm, editado 1 vez en total.