Selectividad 5-037

Ejercicios pensados para poder empezar a entender el 3D.
Imagen - INDICE EJERCICIOS PUBLICADOS


Avatar de Usuario

Autor del Tema
Trazo
RIP - DEP
RIP - DEP
Mensajes: 785
Registrado: Vie Abr 13, 2012 1:31 pm
Temas: 0
Programa: AUTOCAD
Ubicación: EN EL CIELO
Agradecimiento recibido: 31 veces
Género:
Estado: Desconectado

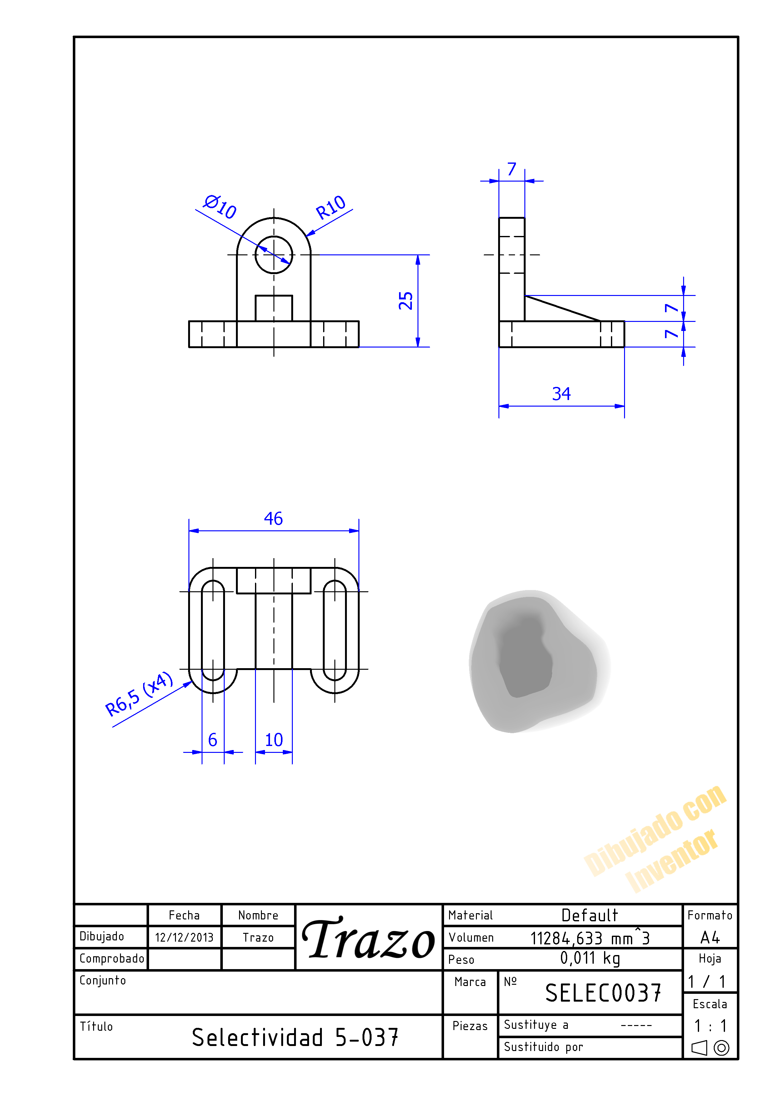
Selectividad 5-037

Mensaje por Trazo »

Hola a todos.

Aquí va el último ejercicio de hoy.

Este ejercicio estaba en las pruebas de acceso a las universidades de la Comunidad Valenciana en Junio de 2006.

Imagen

Un saludo

Última edición por Mondeo14 el Mié Dic 07, 2016 1:07 am, editado 1 vez en total.
Avatar de Usuario

Ricardo
Moderador
Moderador
Mensajes: 8890
Registrado: Lun Nov 23, 2009 7:54 pm
Temas: 1265
Programa: SOLID WORKS
Agradecido : 3368 veces
Agradecimiento recibido: 3852 veces
Género:
Estado: Conectado

Re: Selectividad 5-037

Mensaje por Ricardo »

Cada vez me asombra mas la diferencia de dificultad entre unos ejercicios y otros.

Este lo consideraría súper fácil.

Imagen

Saludos.

Última edición por Ricardo el Jue Nov 03, 2016 11:43 pm, editado 2 veces en total.
https://astemar-ricardo.blogspot.com

Procesador Intel I7 12700K a 3'60 Ghz, Ram DDR3-1600 32 Gb, Tarjeta gráfica NVIDIA GeForce GT1030, Windows 11 Home 64 bits
Avatar de Usuario

Memicouso
Oficial 2º
Oficial 2º
Mensajes: 988
Registrado: Mar May 31, 2011 8:07 pm
Temas: 53
Programa: CATIA
Ubicación: Cádiz
Agradecido : 27 veces
Agradecimiento recibido: 53 veces
Género:
Zodíaco:
Edad: 57
Estado: Desconectado

Re: Selectividad 5-037

Mensaje por Memicouso »

Ésta es la última de ésta nueva entrega de Trazo. Salu2s :68 y puntos.

Imagen

Última edición por Mondeo14 el Dom Mar 12, 2017 12:55 am, editado 3 veces en total.

No sé que tienen las flores, las flores de mi alameda que cuando las olas rompen rompen "pa" asomarse a verlas.

Avatar de Usuario

Mondeo14
Webmaster
Webmaster
Mensajes: 11557
Registrado: Mar Nov 03, 2009 8:48 pm
Temas: 810
Programa: INVENTOR
Ubicación: NAVARRA
Agradecido : 4300 veces
Agradecimiento recibido: 3229 veces
Género:
Zodíaco:
Edad: 64
Estado: Conectado

Re: Selectividad 5-037

Mensaje por Mondeo14 »

Y este con lo fácil que es, ¿por que no coincide el volumen? :34 :34

Imagen

Última edición por Mondeo14 el Dom Mar 12, 2017 12:55 am, editado 2 veces en total.

Un saludo

Nos leemos, Mondi


Procesador: CPU Intel i7 4820kDisco Duro: SSD 500 GB y 2 TBMemoria RAM: 24 GB-DDR3 667 MHzTarjeta Gráfica: NVIDIA Quadro K2000 2 GB GDDR5


Avatar de Usuario

Mondeo14
Webmaster
Webmaster
Mensajes: 11557
Registrado: Mar Nov 03, 2009 8:48 pm
Temas: 810
Programa: INVENTOR
Ubicación: NAVARRA
Agradecido : 4300 veces
Agradecimiento recibido: 3229 veces
Género:
Zodíaco:
Edad: 64
Estado: Conectado

Re: Selectividad 5-037

Mensaje por Mondeo14 »

Coño, tres respuestas y de ellas dos volúmenes que difieren con el original.

Un saludo

Nos leemos, Mondi


Procesador: CPU Intel i7 4820kDisco Duro: SSD 500 GB y 2 TBMemoria RAM: 24 GB-DDR3 667 MHzTarjeta Gráfica: NVIDIA Quadro K2000 2 GB GDDR5


Avatar de Usuario

Memicouso
Oficial 2º
Oficial 2º
Mensajes: 988
Registrado: Mar May 31, 2011 8:07 pm
Temas: 53
Programa: CATIA
Ubicación: Cádiz
Agradecido : 27 veces
Agradecimiento recibido: 53 veces
Género:
Zodíaco:
Edad: 57
Estado: Desconectado

Re: Selectividad 5-037

Mensaje por Memicouso »

La cosa :30 es que te da el mismo volumen que a mí Mondeo. Ricardo y Trazo tienen 633 después de la coma y nosotros 627. ????. A priori la lámina parece que está bien.

No sé que tienen las flores, las flores de mi alameda que cuando las olas rompen rompen "pa" asomarse a verlas.

Avatar de Usuario

Mondeo14
Webmaster
Webmaster
Mensajes: 11557
Registrado: Mar Nov 03, 2009 8:48 pm
Temas: 810
Programa: INVENTOR
Ubicación: NAVARRA
Agradecido : 4300 veces
Agradecimiento recibido: 3229 veces
Género:
Zodíaco:
Edad: 64
Estado: Conectado

Re: Selectividad 5-037

Mensaje por Mondeo14 »

Eso es lo que me mosquea, que a otro le de igual que a mi. Entonces eso quiere decir que algo tenemos distinto :24 :30

Un saludo

Nos leemos, Mondi


Procesador: CPU Intel i7 4820kDisco Duro: SSD 500 GB y 2 TBMemoria RAM: 24 GB-DDR3 667 MHzTarjeta Gráfica: NVIDIA Quadro K2000 2 GB GDDR5


Avatar de Usuario

Ricardo
Moderador
Moderador
Mensajes: 8890
Registrado: Lun Nov 23, 2009 7:54 pm
Temas: 1265
Programa: SOLID WORKS
Agradecido : 3368 veces
Agradecimiento recibido: 3852 veces
Género:
Estado: Conectado

Re: Selectividad 5-037

Mensaje por Ricardo »

Trazo debe repasar su volumen, si yo pongo mas decimales me da 11284'6271 mm3.

Saludos.

https://astemar-ricardo.blogspot.com

Procesador Intel I7 12700K a 3'60 Ghz, Ram DDR3-1600 32 Gb, Tarjeta gráfica NVIDIA GeForce GT1030, Windows 11 Home 64 bits
Avatar de Usuario

Mondeo14
Webmaster
Webmaster
Mensajes: 11557
Registrado: Mar Nov 03, 2009 8:48 pm
Temas: 810
Programa: INVENTOR
Ubicación: NAVARRA
Agradecido : 4300 veces
Agradecimiento recibido: 3229 veces
Género:
Zodíaco:
Edad: 64
Estado: Conectado

Re: Selectividad 5-037

Mensaje por Mondeo14 »

Pues en tu plano pone 11284'633 :44 :44

Un saludo

Nos leemos, Mondi


Procesador: CPU Intel i7 4820kDisco Duro: SSD 500 GB y 2 TBMemoria RAM: 24 GB-DDR3 667 MHzTarjeta Gráfica: NVIDIA Quadro K2000 2 GB GDDR5


Avatar de Usuario

jcsblas
Oficial 3º
Oficial 3º
Mensajes: 731
Registrado: Vie Dic 16, 2011 12:26 pm
Temas: 0
Programa: INVENTOR
Ubicación: Toledo
Agradecimiento recibido: 16 veces
Género:
Zodíaco:
Edad: 63
Estado: Desconectado

Re: Selectividad 5-037

Mensaje por jcsblas »

Buenos días
El último de la serie, a mí tampoco me da el volumen lo he probado con nervio y extrusión y las dos veces me sale igual
Imagen
Un saludo

Última edición por Ricardo el Jue Nov 03, 2016 11:44 pm, editado 1 vez en total.

Felicidad es querer lo que se hace, no hacer lo que se quiere.

Avatar de Usuario

Ricardo
Moderador
Moderador
Mensajes: 8890
Registrado: Lun Nov 23, 2009 7:54 pm
Temas: 1265
Programa: SOLID WORKS
Agradecido : 3368 veces
Agradecimiento recibido: 3852 veces
Género:
Estado: Conectado

Re: Selectividad 5-037

Mensaje por Ricardo »

Mondeo14 escribió:

Pues en tu plano pone 11284'633

El volumen con 4 decimales es 11284'6271 mm3.

Si solo tienes 2 decimales el programa redondea a 11284'63 y al escribir, sin querer, duplicas el 3.

Eso es lo que me ha pasado.

Saludos.

https://astemar-ricardo.blogspot.com

Procesador Intel I7 12700K a 3'60 Ghz, Ram DDR3-1600 32 Gb, Tarjeta gráfica NVIDIA GeForce GT1030, Windows 11 Home 64 bits
Avatar de Usuario

Autor del Tema
Trazo
RIP - DEP
RIP - DEP
Mensajes: 785
Registrado: Vie Abr 13, 2012 1:31 pm
Temas: 0
Programa: AUTOCAD
Ubicación: EN EL CIELO
Agradecimiento recibido: 31 veces
Género:
Estado: Desconectado

Re: Selectividad 5-037

Mensaje por Trazo »

Hola a todos.

Ricardo escribió:

Trazo debe repasar su volumen

Pues si hay que repasarlo, se repasa. Esta tarde le echaré un vistazo a la pieza.

Un saludo

Avatar de Usuario

El Txingu
En Prácticas
En Prácticas
Mensajes: 157
Registrado: Mié May 04, 2011 12:42 pm
Temas: 0
Programa: INVENTOR
Ubicación: GETXO
Agradecimiento recibido: 2 veces
Género:
Zodíaco:
Edad: 54
Estado: Desconectado

Re: Selectividad 5-037

Mensaje por El Txingu »

y aquí el último....
A mí el volumen me coincide con los demás..... 11.284,627mm³
Saludos

Imagen

Última edición por Mondeo14 el Mar Dic 06, 2016 6:37 pm, editado 1 vez en total.
Avatar de Usuario

Autor del Tema
Trazo
RIP - DEP
RIP - DEP
Mensajes: 785
Registrado: Vie Abr 13, 2012 1:31 pm
Temas: 0
Programa: AUTOCAD
Ubicación: EN EL CIELO
Agradecimiento recibido: 31 veces
Género:
Estado: Desconectado

Re: Selectividad 5-037

Mensaje por Trazo »

Hola a todos.

Vaya mosqueo que llevo. :34

No sé por qué no me da el volumen como a vosotros. He hecho la pieza varias veces en Inventor: usando tres extrusiones (la base, la parte vertical y el nervio), tres extrusiones (con aristas vivas y después redondeándolas), tres extrusiones y un taladro, tres extrusiones y una extrusión con corte, todas ellas repetidas varias veces, y siempre me da el mismo volumen: 11284.633mm3.

Después he hecho la pieza en SolidWorks (aunque sólo sé cuatro cosas), usando los mismos pasos que en Inventor, y entonces sí que me da el volumen como a vosotros: 11284.627mm3.

Y sabéis una cosa, lo que más me llama la atención es que el volumen es distinto en los dos programas, pero la superficie de la pieza es la misma en ambos: 5601.845mm2.

Imagen

No tengo ni idea de lo que está pasando, ya que esa diferencia de 0.006mm3 se mantiene haga lo que haga. Por si sirve de algo, la pieza la he dibujado con Inventor 2012.

Si os parece bien, puedo modificar el plano para colocar manualmente el volumen que os da a vosotros, ya que parece que el problema de volumen lo tengo yo.

Un saludo

Última edición por Mondeo14 el Mié Dic 07, 2016 1:07 am, editado 1 vez en total.
Avatar de Usuario

Ricardo
Moderador
Moderador
Mensajes: 8890
Registrado: Lun Nov 23, 2009 7:54 pm
Temas: 1265
Programa: SOLID WORKS
Agradecido : 3368 veces
Agradecimiento recibido: 3852 veces
Género:
Estado: Conectado

Re: Selectividad 5-037

Mensaje por Ricardo »

El eterno problema de los volúmenes en los ejercicios NG.

Ya se dijo en su dia que, incluso con el mismo programa, dependiendo del orden de las operaciones podía dar volúmenes ligeramente diferentes.

Yo no me preocuparía mas.

Saludos.

https://astemar-ricardo.blogspot.com

Procesador Intel I7 12700K a 3'60 Ghz, Ram DDR3-1600 32 Gb, Tarjeta gráfica NVIDIA GeForce GT1030, Windows 11 Home 64 bits